• 首页
  • 免费微信小程序
  • 免费下载工具
  • CAD高效插件
发布开通会员
黄金会员
黄金会员
黄金会员开通黄金会员
  • 全站资源免费阅读
开通黄金会员
    • 开通会员 尊享会员权益
      登录
      注册
      找回密码
  • 首页
  • 免费微信小程序
  • 免费下载工具
  • CAD高效插件
开通会员 尊享会员权益
登录
注册
找回密码

JG/T184-2006–住宅整体厨房

tumugou的头像-土木狗
tumugouLV2
1年前发布
关注私信
2110
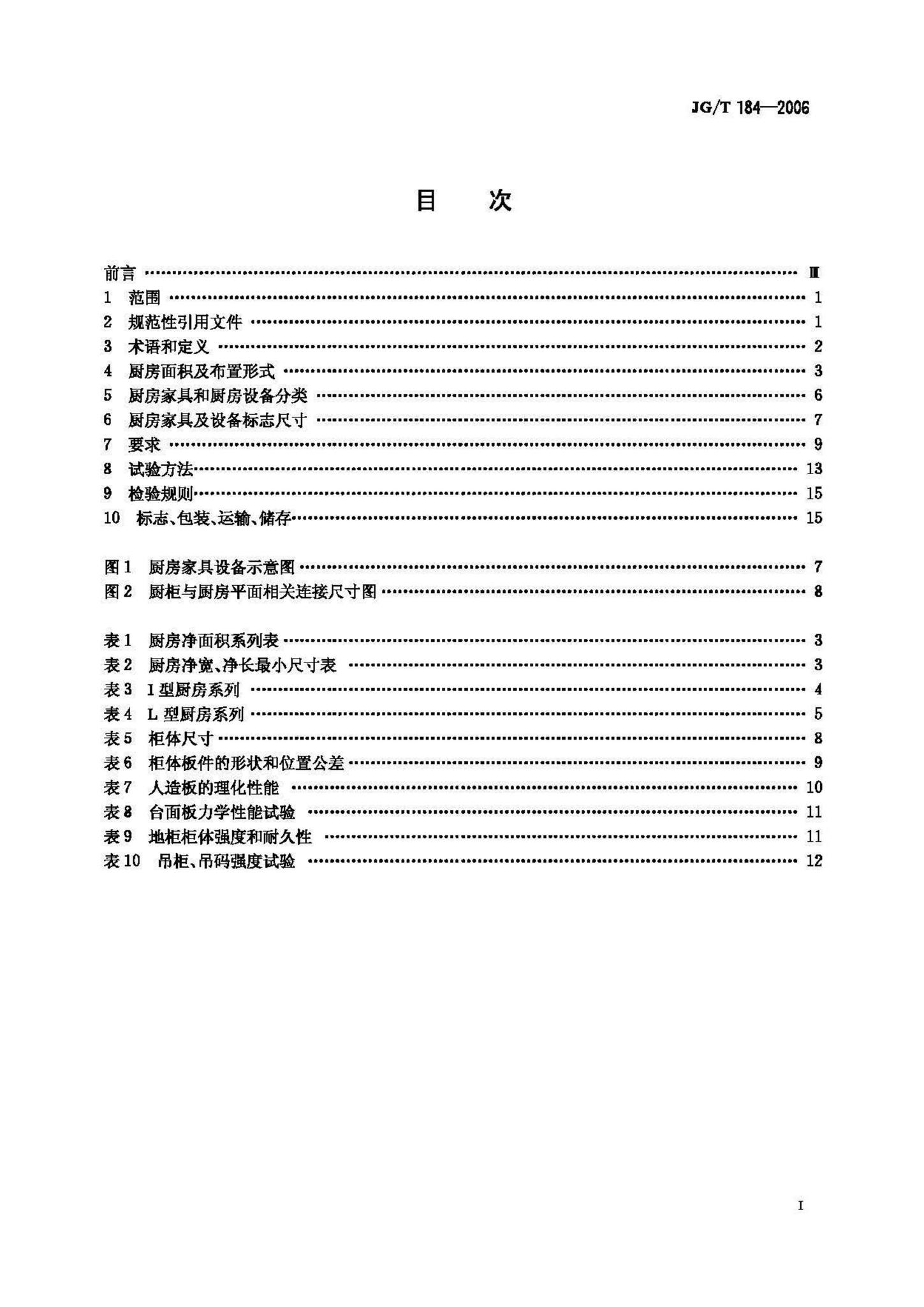
编号:JG/T184-2006名称:住宅整体厨房
发布日期:2006-06-26实施日期:2006-10-01
是否现行:是废止日期:-

JG/T184-2006--住宅整体厨房

JG/T184-2006--住宅整体厨房

JG/T184-2006--住宅整体厨房

免费试看完毕,如果想要看其余内容,可以充值网站VIP。

或者使用本站的免费工具,也可以查看或者下载PDF:点我下载免费工具。

  此处内容已隐藏,黄金会员可见
  请登录后查看特权

© 版权声明
资源收集于网络。
THE END
喜欢就支持一下吧
点赞10 分享
QQ空间微博QQ好友海报分享复制链接
收藏
tumugou的头像-土木狗
tumugouLV2关注
76980226.2W+
这家伙很懒,什么都没有写...
23J909–工程做法-土木狗
23J909–工程做法
23J909–工程做法
1年前 699
XJJ088-2018–建设工程监理工作规程-土木狗
XJJ088-2018–建设工程监理工作规程
XJJ088-2018–建设工程监理工作规程
1年前 452
GB50038-2005(2023版)–人民防空地下室设计规范-土木狗
GB50038-2005(2023版)–人民防空地下室设计规范
GB50038-2005(2023版)–人民防空地下室设计规范
1年前 414
22G101-1–混凝土结构施工图平面整体表示方法制图规则和构造详图(现浇混凝土框架、剪力墙、梁、板)-土木狗
22G101-1–混凝土结构施工图平面整体表示方法制图规则和构造详图(现浇混凝土框架、剪力墙、梁、板)
22G101-1–混凝土结构施工图平面整体表示方法制图规则和构造详...
1年前 260
DB65/T8001-2019–二次供水工程技术标准-土木狗
DB65/T8001-2019–二次供水工程技术标准
DB65/T8001-2019–二次供水工程技术标准
1年前 227
23J916-1–住宅排气道(一)-土木狗
23J916-1–住宅排气道(一)
23J916-1–住宅排气道(一)
1年前 209

上一篇

JG190-2006--冷轧扭钢筋

下一篇

JG/T189-2006--电动采光排烟天窗
相关推荐
  • 暂无相关文章
    • 海量图集规范,土木人专属网站。
    • 友链申请 免责声明 广告合作 关于我们

      Copyright © 2025 · 土木狗 · 
      扫一扫加微信-土木狗
    • 扫码加微信-土木狗

      扫码加微信
    zibll子比主题
    本站同款主题模板
    zibll子比主题是一款漂亮优雅的网站主题模板,功能强大,配置简单。
    查看详情
    扫码添加微信-土木狗
    在手机上浏览此页面

    登录
    没有帐号?立即注册
    用户名或邮箱
    登录密码
    找回密码
    注册
    已有帐号,立即登录
    设置用户名
    设置密码
    重复密码